
- VK-BR Waschmaschine für Glasflaschen
- VK-PF Ölfüllmaschine 4 Köpfe
- VK-VC Vakuum-Verschließmaschine
- VK-RPL Etikettiermaschine für runde Flaschen
Die vollautomatische Abfüllanlage kann entsprechend den Kundenanforderungen und den vom Käufer angebotenen Mustern angepasst werden. Nachfolgend sind die grundlegenden Informationen zu dieser vollautomatischen Abfüllanlage für die Lebensmittelindustrie aufgeführt:
Luftwaschmaschine für Glasflaschen, Vakuumwaschanlage
Es handelt sich um eine automatische Flaschenwaschmaschine mit Luft. Die Kapazität hängt von den Luftwaschdüsen ab.
Ein Luftkompressor befördert die Luft in den Vakuumbehälter, das Gas wird durch das Magnetventil und den Ionengenerator gereinigt, das Trachealgasshampoo bläst das Gas durch die Gasspülöffnung in die Flaschen, bläst Fremdgas durch den Gasdruck aus der Gasspülöffnung heraus und leitet das aus der Trachealkammer ausgestoßene Abgas durch die Abgasreinigungsanlage nach außen.

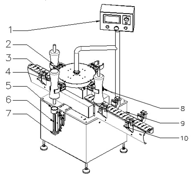
| 1 | Bedienfeld | 2 | Flaschen |
| 3 | Gurt für Babyflaschen | 4 | Sensor für Flaschenfütterung |
| 5 | Flaschenbefestigungsstruktur | 6 | Spüldüse |
| 7 | Elektrostatische Blasdüse | 8 | Flaschenbefestigungspunkt |
| 9 | Band zur Ausgabe von Flaschen | 10 | Führungsschiene |
Grundparameter der automatischen Rotationsluftwaschmaschine für Glasflaschen:

Modell: VK-BR
Passend für Flaschen: 20–1000 ml.
Produktionskapazität: 8 Reinigungsdüsen: 3600~4800bph
Luftdruckbereich: 6 ~ 8 kg/cm2
Luftverbrauch: 25m3/h
Stromversorgung: 220 V 50/60 Hz
Stromverbrauch: 0,75 kW
Geräusche einer einzelnen Maschine: ≤70 dB
Gereinigte Luft: 0,2 μm
Reinigungszeit: 3 ~ 5 s
Nettogewicht: 350 kg
Gesamtmaße: 1200 x 800 x 1600mm
Ölfüllmaschine 4 Köpfe Linearfüller

Die mikrocomputergesteuerte Olivenabfüllmaschine mit 4 Köpfen kombiniert Fotoelektrizität mit pneumatischem Betrieb und wird daher häufig zum Abfüllen von Agrarchemikalien, Lösungen, flüssigen Reinigungsmitteln, Kosmetika und Oliven eingesetzt.
Das Füllvolumen ist präzise, schaumfrei und stabil. Die Maschine kann Flüssigkeiten im Bereich von 25 bis 1000 ml abfüllen, wobei keine besonderen Anforderungen an die Flaschenform gestellt werden. Das heißt, sie kann Flüssigkeiten sowohl in normale als auch in unregelmäßig geformte Flaschen abfüllen.

Modell: VK-PF
Füllbereich: 50~3000ml
Füllgeschwindigkeit: <20–30 b/m (für 500–1000 ml Flüssigkeit)
Genauigkeit: ±1 %
Leistung/Versorgungsleistung: 0,8 kW, 220 V
Arbeitsdruck: 5~6kg/cm3
Luftverbrauch: 0,5–0,7 MPa
Nettogewicht: 500kg
Außenmaße: 2000×800×1900mm
Markieren: Die Fülldüsen können nach Kundenwunsch hinsichtlich Füllbereich und Füllgeschwindigkeit entworfen und hergestellt werden
Lineare Vakuum-Verschließmaschine Vk-Vc Gläser-Verschließerausrüstung:
Diese lineare Verschlussmaschine wurde von unserem Unternehmen mithilfe jahrelanger Erfahrung erforscht und entwickelt und ist im Inland einzigartig. Integrierte automatische Verschlussanordnung mit Abdeckung und Vakuumverschluss.
Manuelle Vakuumpumpe zum Erreichen eines hohen Vakuums. Mit den Funktionen „Keine Flasche, keine Abdeckung“, Alarm, wenn keine Kappen vorhanden sind. Hohe Automatisierung. Die wichtigsten pneumatischen und elektrischen Teile stammen von weltbekannten Marken.
Mit stabiler und zuverlässiger Leistung. Es wird häufig zum Vakuumverschließen von Gläsern mit Eisenverschlüssen in der Konserven-, Getränke-, Gewürz- und Gesundheitsproduktindustrie usw. verwendet.

Leistung: ≤ 2,3 kW (einschließlich Vakuumpumpe)
Produktionskapazität: 50-60 BPM
Kappendurchmesser: ¢30–¢55 mm ¢50–¢85 mm
Flaschenhöhe: 80-250mm
Flaschendurchmesser: ¢30-¢85mm
Maximales Vakuum: -0,08 MPa
Kappendrehmoment: 5-20N.M
Luftverbrauch: 0,6 M3/0,7 MPa
Maschinenabmessungen: ca. 3000 × 1000 × 1900 mm
Gewicht: ca. 850kg
Vk-Rpl Etikettiermaschine für runde Flaschen und Gläser

Anwendung: Erfordert die Befestigung eines Etiketts oder Produkts auf der umlaufenden Oberfläche der Membran.
Industrie: Weit verbreitet in der Lebensmittel-, Medizin-, Kosmetik-, Elektronik-, Metall-, Kunststoff- und anderen Industrien.
Anwendung: Etikettierung von runden PET-Flaschen, Etikettierung von Plastikflaschen, Konserven usw.

Geeignete Etikettenlänge (mm): 20 mm ~ 314 mm
Anwendbare Etikettenbreite (Trägerpapierbreite / mm): 15 mm ~ 150 mm
Anwendbare Produkte Durchmesser (für runde Flaschen) und Höhe: Durchmesser: φ25mm ~ φ100mm
Höhe: 25 mm ~ 230 mm
Anwendbarer Standardrollendurchmesser (mm): φ280mm
Anwendbarer Standardrollendurchmesser (mm): φ76mm
Beschriftungsgenauigkeit (mm): ± 1mm
Die Standardgeschwindigkeit (m/min): Servo: 5 ~ 25m/min Schritt: 5 ~ 19m/min
Etikettiergeschwindigkeit (Stück/min): Schrittweise: 30 – 80 Stück/min (je nach Flaschen- und Etikettengröße)
Servo: 40 ~ 120 Stück/min
Fördergeschwindigkeit (m/min): 5 ~ 25 m/min
Gewicht (kg): ca. 185kg
Frequenz (Hz): 50 Hz Spannung (V): 220 V
Leistung (W): 530 W (Traktionsschrittmotor) 980 W (Traktionsservo)
Geräteabmessungen (mm) (L × B × H): 1950mm × 1100mm × 1300mm


Verpackung in Holzkisten:

Kundendienst für Abfüllanlagen

Wir garantieren die Qualität der Hauptteile innerhalb von 12 Monaten. Wenn die Hauptteile ohne künstliche Faktoren innerhalb eines Jahres ausfallen, werden wir sie kostenlos für Sie bereitstellen oder für Sie warten. Wenn Sie nach einem Jahr Teile austauschen müssen, bieten wir Ihnen freundlicherweise den besten Preis an oder warten sie auf Ihrer Site. Wann immer Sie technische Fragen zur Verwendung haben, werden wir unser Bestes tun, um Sie zu unterstützen.
Qualitätsgarantie :
Der Hersteller garantiert, dass die Waren aus den besten Materialien des Herstellers hergestellt sind, erstklassige Verarbeitung aufweisen, brandneu und unbenutzt sind und in jeder Hinsicht der Qualität, Spezifikation und Leistung entsprechen, die in diesem Vertrag festgelegt sind. Die Qualitätsgarantiefrist beträgt 12 Monate ab B/L-Datum.
Der Hersteller repariert die Vertragsmaschinen während der Qualitätsgarantiezeit kostenlos.
Wenn der Defekt auf unsachgemäßen Gebrauch oder andere Gründe seitens des Käufers zurückzuführen ist, erhebt der Hersteller die Kosten für die Reparaturteile.
Installation und Debugging:
Der Verkäufer schickt seine Techniker, um die Installation und Fehlerbehebung anzuleiten. Die Kosten trägt der Käufer (Hin- und Rückflugtickets, Übernachtungskosten im Land des Käufers). Der Käufer sollte vor Ort Unterstützung bei der Installation und Fehlerbehebung leisten.









