
- Verschlussgeschwindigkeit: 15-30 Stück/min
- Nennspannung: 110V/60Hz (US-Standard)
- Maschinenleistung: 0,8 kW
- Ampere: 2,2 A
- Außenmaße: 2230 x 1460 x 1600 mm (L x B x H)
- Luftdruck: 0,7 MPa
- Gewicht: ca. 300 kg
Benachrichtigung vor dem Starten der Flaschenverschlussmaschine
1: Stellen Sie vor dem Anschließen der Maschine sicher, dass der Netzschalter geschlossen ist, und befolgen Sie dann die Anweisungen.
2: Wenn die Maschine längere Zeit nicht läuft, sollte sie mit einem trockenen Tuch abgewischt werden und darf keine ätzenden Reinigungsmittel verwenden.
3: Es ist strengstens verboten, Flüssigkeiten in den Schaltkasten der Maschine zu spritzen, um eine Korrosion der internen elektrischen Komponenten und Kurzschlüsse zu vermeiden.
4: Überprüfen Sie anhand der Gerätepackliste die Modelle, Spezifikationen und Mengen der Geräte und Materialien, um sicherzustellen, dass sie den Anforderungen der Design- und Produktnormen entsprechen und von Konformitätszertifikaten begleitet sind.
5: Überprüfen Sie das Erscheinungsbild des Geräts, um sicherzustellen, dass es keine Verformungen, Beschädigungen oder Korrosion aufweist und dass alle Spindeln sich ohne Blockierungen flexibel drehen sollten.
6: Diese Maschine arbeitet mit einphasigem Wechselstrom (110 V), und der flache dreibeinige Netzstecker sollte in die Steckdose mit Erdungskabel eingesteckt werden.
Technische Parameter

- Verschlussgeschwindigkeit: 15-30 Stück/min
- Nennspannung: 110V/60Hz (US-Standard)
- Maschinenleistung: 0,8 kW
- Ampere: 2,2 A
- Außenmaße: 2230 x 1460 x 1600 mm (L x B x H)
- Luftdruck: 0,7 MPa
- Gewicht: ca. 300 kg
Verschließmaschine im Detail:



Strukturen der Maschine

Beschreibung des elektrischen Auges mit Glasfaser
Elektrisches Auge zur Flaschenerkennung:

Der Zweck dieser Lichtschranke besteht beim Automatikbetrieb darin, eingehende Flaschen zu erkennen.
Wenn die eingehende Flasche erkannt wird, dreht sich der „Drehteller“.
Elektrisches Auge zur Lidabgabe

Der Zweck dieser Lichtschranke besteht im automatischen Betrieb in der Erkennung eingehender Briefe.
Wenn der ankommende Deckel erkannt wird, hebt sich der „Entnahmemechanismus“, um Material zu entnehmen.
Elektrisches Auge zur Lidabgabe

Bei Betrieb im Automatikmodus: Die Aufgabe dieser Lichtschranke besteht in der Erkennung eingehender Flaschen.
Wenn die eingehende Flasche erkannt wird, dreht der „Verschlusskappenmechanismus“ die Verschlusskappe nach unten.
Schalterknopf und Verkabelungsanschluss
Touchscreen und Not-Aus

Vorschubmotor und Deckel-Vibrationsplatten-Steuerung

Vibrationsplatten-Steuerung

Vibrationsplatten-Steuerung: Durch die Anpassung der Spannung können Sie die Entladegeschwindigkeit regulieren.
Netzschalter und Steckdosen

Motorsteuerung

Frequenzumformer: Durch Einstellen des Frequenzumformerknopfes können Sie die Motordrehzahl anpassen.
Alarm- und Fehlerbehebungsmethode:
1. Not-Aus wurde gedrückt. Drücken Sie die Not-Aus-Tasten auf der Maschinenkappe und neben dem Touchscreen.
2. Die Ausgabe erreicht den eingestellten Wert. Stellen Sie die Ausgabe ein und drücken Sie die Löschtaste, um die aktuelle Ausgabe zu löschen.
3. Wenn über einen längeren Zeitraum keine Verschlüsse erkannt werden, überprüfen Sie dies bitte. Überprüfen Sie, ob die Induktionsfaser für Flaschenverschlüsse richtig angebracht ist. Überprüfen Sie, ob die Verschlüsse richtig angebracht sind oder nicht.
4. Wenn über einen längeren Zeitraum keine Flaschen erkannt werden, überprüfen Sie bitte, ob Flaschen vorhanden sind.
Elektrische Augeneinstellung:
Verstärkerstruktur

Diagramm für Glasfaser:

1. Glasfaser-Verriegelungsstange
2. Betriebszustandsanzeige
3. Einstellen
4. DSC-Kontrollleuchte
5. Digitaler Monitor
6. Manuell-Taste
7. Erweiterter Schutzumfang
8. Erweiterungsstecker
9. Leistungswahlschalter
10. Modus-Taste
11. Ausgangswähler
12. Kabel
13. Staubschutz
14. Wert einstellen (in grün)
15. Aktueller Wert (in rot)
Arbeitsablauf für die Glasfasereinstellung
- Wenn das elektrische Auge in die Lücke fällt, beträgt der Rotstromwert 144.
- Wenn das elektrische Auge auf das Etikett fällt, beträgt der Rotstromwert 4.
- Passen Sie den eingestellten Wert an: „Ungefähr 1/2 des Wertes, mit dem das elektrische Auge auf dem Körperpapier liegt (in der Lücke zwischen den zu erkennenden Objekten) und dem Wert, mit dem das elektrische Auge auf dem Papier liegt. Der eingestellte Wert beträgt (144 4)/2=74. Passen Sie den eingestellten Wert mit der manuellen Taste auf 74 an.
- Bewegen Sie die Etikettenlücke hin und her, in der Nähe der Lichtschranke und der roten „Signalleuchte/Kontrollleuchte“.
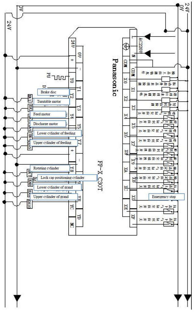
Schaltbild



Wartungsflaschen-Verschließmaschine

1. Um die Lebensdauer der Maschine zu verlängern und ihre Funktion zu optimieren, müssen die Maschinen überprüft und gewartet werden.
- Die Arbeitsmaschine sollte alle drei Monate gewartet werden;
- Die Lager und Getriebeteile müssen mit Fett geschmiert werden;
- Die Schmierung muss regelmäßig erfolgen;
- Das Gleitbahnöl (N68) sollte zweimal täglich in Teile wie die Hin- und Herbewegung oder das Heben eingefüllt werden.
- Das Autoöl (N68) sollte in die rotierenden oder schwingenden Teile eingefüllt werden;
- Geben Sie alle halben Monat Fett in den Nockenschlitz.
- Einmal im Monat die Düse durch Zugabe von Fett ölen;
2. Schlagen oder kratzen Sie niemals mit Metallwerkzeugen auf die Oberfläche, auf der sich die Bindung an Teilen wie Komponenten oder Formen angesammelt hat.
3. Wenn die Maschine längere Zeit nicht läuft, fügen Sie Schmierfett zu Teilen wie Getriebe oder Lager hinzu. Tragen Sie außerdem einen Imprägnierschutz auf die Maschine auf.
4. Stellen Sie niemals Gegenstände auf die Maschine, da diese dadurch beschädigt werden könnte.
5. Entfernen Sie regelmäßig den Staub im Inneren der Komponenten. Überprüfen Sie außerdem alle Schrauben und ziehen Sie alle lockeren Schrauben fest.
6. Überprüfen Sie zu einem bestimmten Zeitpunkt die Schrauben in den Verdrahtungsklemmen und stellen Sie sicher, dass die Schraube fest sitzt.
7. Überprüfen Sie, ob sich im gestreckten Verdrahtungspfad von den Schaltkästen lose Teile befinden. Wenn das Teil zu locker ist, ziehen Sie die Schraube erneut fest, um Abrieb oder Schäden an der Isolierschicht zu vermeiden, die zu Stromlecks führen können.
8. Überprüfen Sie die leicht abgenutzten Teile und wechseln Sie die beschädigten rechtzeitig aus.









