
- Verschließköpfe: 2 Stück Servo-Motorantrieb
- Spannung: 220 V, 50/60 Hz;
- Leistung: 3,0 kW
- Luftdruck: 0,5–0,7 MPa
- Ampere: 8,5 A
- Geschwindigkeit: 40–45/min (angepasst an die Form und Größe der Gläser)
- Geeigneter Produktdurchmesser: φ28–φ125 mm Deckel (nicht standardmäßig kundenspezifisch)
- Stopfbuchsen-Durchgangsrate: ≥99,5 % (abhängig vom Deckel- und Flaschenfehler)
- Maschinengröße: 3300 * 1150 mm * 1908 mm
- Gewicht: 450kg
Bevor Sie die Maschine einschalten, lesen Sie dieses Handbuch sorgfältig durch, um sich über Sicherheitsaspekte und die korrekte Verwendung der Maschine zu informieren. So vermeiden Sie Unfälle und verringern die Häufigkeit von Maschinenschäden.
Bei ätzenden Produkten ist darauf zu achten, dass die ätzenden Gegenstände nicht mit der Maschine selbst oder mit dem Personal in Berührung kommen oder darauf spritzen.
- Vermeiden Sie den Einsatz der Maschine an Orten, wo sie Vibrationen oder Stößen ausgesetzt ist.
- Bei laufender Maschine darf der Körper des Personals die beweglichen Teile nicht berühren.
- Vermeiden Sie die Verwendung der Maschine an Orten mit übermäßiger Luftfeuchtigkeit. Achten Sie beim Anschluss an die Stromversorgung darauf, dass das Erdungskabel ordnungsgemäß geerdet ist, um Sicherheitsunfälle zu vermeiden.
- Der Bediener muss sich in einem normalen körperlichen und geistigen Zustand befinden. Wenn Sie Alkohol, Schlaftabletten oder andere Drogen zu sich nehmen, die sich nachteilig auf Ihren geistigen Zustand auswirken, stellen Sie die Bedienung der Maschine ein.
- Der Bediener muss geeignete Kleidung tragen, um Verletzungen durch das Einklemmen der Kleidung an rollenden Teilen zu vermeiden und darf keine Fremdgegenstände auf der Maschine ablegen.
- Wenn während des Gebrauchs Geräusche oder andere Anomalien auftreten, hören Sie sofort auf und überprüfen Sie. Techniker ohne technische Ausbildung sollten Maschinenteile nicht willkürlich verschieben.
- Führen Sie regelmäßige (einmal wöchentlich) Wartung und Pflege durch und vermeiden Sie beim Reinigen der Maschine Spritzer von Wasser oder anderen Flüssigkeiten sowie elektronische Steuerkästen oder andere elektrische Komponenten.
- Bitte gehen Sie gemäß den normalen Betriebsverfahren vor und halten Sie die Oberfläche der Maschine sauber und ordentlich.
Die Verschlussmaschine wird in Verpackungsprozessen aller Art in den Bereichen Kosmetik, Medizin, Veterinärmedizin, Pestizide, Schmieröl und anderen Industriebereichen eingesetzt.





Prinzip und Merkmale der Glasverschließmaschine:
- Elektrische automatische Steuerung, es ist stabil;
- Mit Verschlusspositionierungsvorrichtung und serienmäßig verriegelter Abdeckung ist die Bedienung bequem;
- Eine große Auswahl an Schlossabdeckungen, die Kappen können in verschiedenen Formen gedreht werden;
- Durch die Begrenzung der Geschwindigkeit und des Spin-Gefängnisses kann gleichzeitig auch die Rückspulspannung nach Bedarf angepasst werden.


Grundparameter der Verschließmaschine für Kosmetikdosen:

1. Verschlussköpfe: 2 Servo-Moto-Antrieb
2. Spannung: 220 V, 50/60 Hz;
3. Leistung: 3,0 kW
4. Luftdruck: 0,5-0,7 MPa
5. Ampere: 8,5 A
6. Geschwindigkeit: 40–45/min (angepasst an die Form und Größe der Gläser)
7. Geeigneter Produktdurchmesser: φ28-φ125 mm Deckel (nicht standardmäßig angepasst)
8. Stopfbuchsen-Durchgangsrate: ≥ 99,5 % (abhängig vom Deckel- und Flaschenfehler)
9. Maschinengröße: 3300 * 1150 mm * 1908 mm
10. Gewicht: 450 kg
Hostteil Beschreibung


Netzschalter: Steuerung der Stromversorgung Ein---Aus.
Betriebsanzeige: Strom eingeschaltet – grünes Licht an, Strom aus – grünes Licht aus.
Not-Aus: Dient zum sofortigen Stoppen der Maschine oder zum Zurücksetzen der Funktion im Notfall oder bei einer Störung.
1. Lichtschranke starten: Die Maschine ist in Betrieb. Sobald die fotoelektrische Erkennung erkennt, dass eine Flasche vorhanden ist und einen Deckel hat, kann der Drehteller mit der Arbeit beginnen. Wenn eine der beiden Fotoelektrika nicht erkannt wird, dreht sich der Drehteller nicht.
2. Herkunft photoelektrisch: Es dient zur Steuerung des Schrittmotors zur Positionierung des Drehtellers, sodass die Flasche reibungslos in die Abdeckung eingesetzt werden kann.
3. Cap-Photoelektrizität: Überprüfen Sie, ob die Abdeckung richtig sitzt, und erkennen Sie fotoelektrisch, ob ein Abdeckungsdrehteller zum Drehen vorhanden ist.
4. Abdeckung Photoelektrizität: Steuerung des Starts und Stopps der oberen Abdeckmaschine. Wenn die von der oberen Abdeckmaschine bereitgestellte Abdeckung an die von der Fotoelektrik erkannte Position sortiert wird, ist die Fotoelektrik immer hell, die Abdeckmaschine stoppt für die Abdeckung und die intelligente Abdeckung wird implementiert.
5. Fotoelektrizität der Schlossabdeckung: Wenn die Flasche mit dem Deckel vorbeikommt, wird die fotoelektrische Erkennung erkannt und die Verriegelungsabdeckung wird entsprechend der eingestellten Verzögerungszeit betätigt (die spezifischen Parameter werden bei der Einstellung der Maschine entsprechend der Geschwindigkeit des Förderbandes angepasst).
6. Schlossabdeckungssystem: Die Flasche mit dem Deckel ist gleich, die fotoelektrische Startverzögerung, die Verzögerung bis zur Flaschenklemmung des Zylinders, die Verschlusskappe wird abgesenkt, die Griffabdeckung – die Schraubkappe – der Greifer wird freigegeben – die Verschlusskappe hebt sich – die Clipflasche wird gelöst und der Verschlusskappenvorgang ist abgeschlossen. In der Verschlussabdeckung, wenn sich die Verschlussabdeckung Nr. 1 in der Verschlussabdeckung befindet, tritt eine weitere Flasche ein. Zu diesem Zeitpunkt bewegt sich der Flaschenklemmzylinder Nr. 2 und die Verschlussabdeckung Nr. 2 wird aktiviert, um die Abdeckung zu verriegeln. (Wenn die Kappe, die durch den Verschlusskopf Nr. 2 verriegelt wurde, die Clipflasche Nr. 1 passiert, wiederholen Sie die Verschlussabdeckung nicht.

Beschreibung der Mensch-Maschine-Schnittstelle

Startseite
3.1 Auf der Startseite stehen englische und chinesische Betriebsoptionen zur Auswahl. Wenn Sie die chinesische Schaltfläche wählen, gelangen Sie zur folgenden Benutzeroberfläche:

Zweite Schnittstelle
Stoppen: Der Startschalter der gesamten Maschine. Berühren Sie diese Taste. Die Maschine läuft im Automatikmodus. Berühren Sie diese Taste erneut. Die Maschine stoppt den Betrieb.
Testtor: Testen Sie die Funktion der Maschine.
Plattentellerdrehzahl: Je größer der Geschwindigkeitsparameter ist, desto höher ist die Geschwindigkeit, und desto langsamer ist der Geschwindigkeitsparameter. (Es gibt jedoch eine Höchstgrenze.)
Plattenspieler-Verzögerung: Einstellungen für die Startzeit des Plattenspielers, um einen gleichmäßigen Laufeffekt des Plattenspielers zu erzielen.
Begrenzungsverzögerung: Nach der Drehscheibe zur angegebenen Station, Verzögerung der Wartezeit, Zylinderaktionskappe.
Verdeckelungszeit: Die zum Verschließen des Zylinders benötigte Zeit.
Ausgabe: Vervollständigen Sie die Aufzeichnung der Nummer der Schlossabdeckung, bequemer Produktionszähler. Drücken Sie zum Löschen die Reset-Taste.
X1. X3. X14: Überprüfen Sie, ob sich die Fotozelle im Arbeitszustand der Reflexion befindet, um den Betriebszustand der Maschine leicht erkennen zu können.
Kappungsparameter: Drücken Sie diese Taste und rufen Sie die folgende Schnittstelle auf:

Bei der Schnittstelle handelt es sich um eine Parameterseite, die für jede Aktion des 1#-Verriegelungskopfes im Servo-Verriegelungsabdeckungssystem eingestellt werden muss. Die sinnvolle Einstellung der Parameter wirkt sich positiv auf die Stabilität der Maschine und die Verbesserung der Effizienz aus.
Zurückkehren: Drücken Sie diese Taste, um zur zweiten Schnittstelle zurückzukehren.
Ein-/Ausgabe: Drücken Sie diese Taste, um die folgende Schnittstelle aufzurufen:

Punkte der X-Serie: Dient als Eingangspunkt zur Erkennung, ob die Fotozelle betriebsbereit ist. So ist der Betrieb der Maschine leicht zu erkennen und die Wartung ist einfach.
Punkte der Y-Reihe: Befindet sich der Ausgabepunkt der Ausführungskomponente im Normalzustand, kann durch manuelles Drücken der Steuerungstaste geprüft werden, ob die Ausführungskomponente normal ist.
Verschlusszuführungssystem: Lässt sich stabil und ordentlich entsprechend der vorgeschriebenen Richtung abdecken.
Neigungsverstellung: Es kann ein angemessener Winkel eingestellt werden, um zu verhindern, dass der Rückdeckel in die Rutsche rutscht.
Frequenzumrichterregelung: Kontrollieren Sie die Geschwindigkeit der Abdeckung.


Wartung der Ausrüstung zum Verschließen von Gläsern:
1. Warten Sie die Maschine, wenn Strom und Gas abgeschaltet sind, um die Sicherheit zu gewährleisten. Halten Sie die Maschine sauber und ordentlich. Legen Sie keine Kleinteile, keine Kleinteile, Zubehörteile, Schrauben usw. auf die Maschine.
2. Und das Schmieröl wird regelmäßig zum Mechanismus der beweglichen Teile hinzugefügt, um einen guten Betriebszustand des Mechanismus sicherzustellen.
3. Lassen Sie regelmäßig Wasser aus der Luftfiltereinheit ab und fügen Sie Schmieröl hinzu, um eine ordnungsgemäße Verwendung des Zylinders sicherzustellen und seine Lebensdauer zu verlängern.
4. Überprüfen und reparieren Sie die Maschine regelmäßig. Beurteilen Sie den Betriebszustand des Geräts mit Augen und Ohren, um sicherzustellen, dass die Maschine gut funktioniert.
Notiz: Bitte verwenden und warten Sie das Gerät streng nach den Anweisungen. Während der Garantiezeit ist das Öffnen und Zerlegen strengstens untersagt. Andernfalls sind die dadurch verursachten Schäden als menschliche Schäden zu werten und es erfolgt keine kostenlose Reparatur. Diese Anleitung kann ohne vorherige Ankündigung geändert werden. Wenn Sie noch immer Zweifel hinsichtlich der Funktionsweise dieser Maschine haben, rufen Sie uns bitte jederzeit an, wenn Sie Fragen haben.
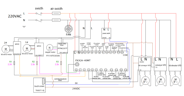
Beigefügter Schaltplan:

Fertig versiegelte Deckel, Muster der Glasverschließmaschine:





Markierungen: für quadratische schwarze Gläser, da die Verschlüsse kratzempfindlich sind, ist es mit einem Aufnahmesystem ausgestattet, um die Verschlüsse der Gläser aus den Schalen zu ziehen und sie für den Verschlussvorgang in die Verschließstation zu legen. Das detaillierte Funktionsprinzip wird wie folgt dargestellt: Arbeitsablauf:
1. Manuelles Einlegen der Kappen in die Schale (15*15 oder 10*10)

2. Einlegen der Trays in die Abholstation
3. Roboter nehmen die Gläser auf

4. Positionierung der Flaschen und Abschluss des Verschließvorgangs
5. Ausgabe von verschlossenen Gläsern











